
language
Bienvenue pour vous connecter
Dans le contexte du développement rapide de la nouvelle industrie énergétique, des scénarios tels que stockage d'énergie commercial et industriel , stations d'échange de batterie , et systèmes de stockage photovoltaïques domestiques ont imposé des exigences plus élevées à précision, compatibilité et intelligence de comptage d'électricité . Acrel Electric a développé une gamme complète de nouvelles solutions d'instrumentation de support énergétique. Ces solutions sont conçues sur mesure pour répondre aux exigences fondamentales de différents scénarios d'application, couvrant les besoins de mesure depuis les applications domestiques de faible consommation jusqu'aux systèmes de stockage d'énergie industriels et commerciaux à grande échelle. Les solutions fournissent un support fiable pour le fonctionnement stable et le comptage précis des nouveaux systèmes énergétiques.
Le photovoltaïque résidentiel et le stockage d’énergie représentent un scénario d’application important pour la vulgarisation des nouvelles énergies. Acrel a développé des produits d'instruments hautement compatibles ciblant différents sous-scénarios, notamment adaptation d'onduleurs de stockage d'énergie, intégration d'onduleurs hybrides, systèmes de stockage photovoltaïques de balcon et systèmes de transmission transparents point à point de stockage de micro-énergie . Ces produits équilibrent l’intégration, la vitesse de mesure et la flexibilité de la communication.
En réponse aux caractéristiques du marché de compatibilité multimarque dans les systèmes photovoltaïques et de stockage d'énergie, la configuration RS485 CT est adoptée pour s'adapter aux conditions d'installation incertaines des agents professionnels. Les instruments sont certifiés par les certifications internationales CE-MID, UL et RCM. Avec un taux de rafraîchissement des données à grande vitesse de 50 ms, les appareils prennent également en charge le réglage de la séquence de phases, garantissant une mesure précise et une forte compatibilité.
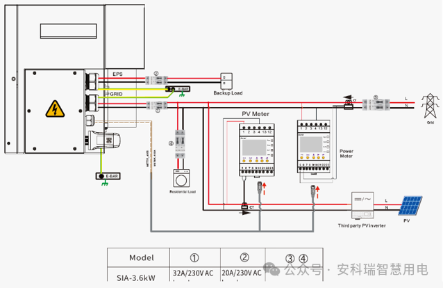
Pour répondre aux exigences élevées d'intégration des conceptions d'onduleurs de stockage d'énergie tout-en-un et aux exigences de mesure à double canal dans les scénarios de modernisation, les instruments sont équipés de bornes à prise rapide de tension et de courant et de ports de communication RJ45. Ils prennent également en charge des taux de rafraîchissement des données de 50 ms et un ajustement de la séquence de phases, ainsi qu'un système de certification complet, ce qui les rend adaptés aux scénarios de rénovation et de nouvelle installation.
Conçue spécifiquement pour les systèmes photovoltaïques distribués et de stockage d'énergie de faible puissance sur les balcons, cette solution équilibre une intégration élevée avec une installation et une mise en service pratiques. En plus de bornes de mesure à double canal et à prise rapide , il prend également en charge Fonctions de débogage WiFi, WiFi faible et Bluetooth . La conception sans fil simplifie considérablement l'installation dans des scénarios à petite échelle et le produit est certifié CE-RED.
Pour aborder le mauvaise pénétration et performances du réseau instables de traditional WiFi in micro-energy storage scenarios, WiFi HaLow La technologie de communication (sub-1 GHz) est adoptée. Par rapport au WiFi traditionnel, il offre une capacité de pénétration plus forte et une distance de transmission plus longue. Par rapport à la communication LoRa, il offre une vitesse de transmission plus élevée et une meilleure stabilité. L'instrument prend en charge nativement cette technologie, ne nécessitant qu'un point d'accès supplémentaire côté onduleur pour permettre la communication sans fil. Il prend également en charge la configuration réseau rapide un-à-un et un-à-plusieurs, ce qui le rend adapté aux systèmes de micro-stockage multi-onduleurs et de balcon domestiques.
Le stockage d'énergie industriel et commercial, le stockage d'énergie à grande échelle et les stations d'échange de batteries nécessitent des normes strictes en matière de précision des mesures, de vitesse de rafraîchissement, de flexibilité d'installation et de conformité réglementaire. Acrel fournit des produits d'instruments intégrés et montés sur rail DIN en fonction d'exigences clés telles que facturation multitarif, mesure de la demande, protection anti-retour du flux d'énergie et communication sans fil , prenant en charge à la fois les nouvelles installations et les applications de modernisation.
L'APM521 a obtenu la certification CSA (UL) à l'étranger et offre une précision de mesure d'énergie active jusqu'à une classe de 0,2 s (classe D). Il est équipé d'un stockage sur carte SD pour les paramètres électriques en temps réel. La conception modulaire du module d'extension de l'unité principale prend en charge à la fois le montage intégré et sur rail DIN, répondant ainsi aux exigences d'installation diversifiées dans les nouveaux projets.
Il s'agit d'un compteur de classe 0,5S avec CT externe, largement utilisé dans les applications des grands clients. Il prend en charge le câblage de modernisation des TC secondaires et peut directement bloquer le courant côté secondaire des transformateurs de courant existants, ce qui le rend parfaitement adapté aux projets de modernisation des compteurs. Le produit est certifié CPA, CE et UL et peut également être personnalisé dans une version d'actualisation à grande vitesse pour répondre aux exigences des applications hautes performances.
De plus, les solutions industrielles et commerciales intègrent également des fonctions de protection contre les surcharges. Le système peut être connecté à des scénarios de stockage d'énergie côté haute et basse tension et peut fonctionner avec des compteurs d'électricité multi-tarifs pour obtenir un comptage d'électricité précis selon différentes structures tarifaires, fournissant ainsi un support complet en matière de sécurité et de gestion de l'énergie pour les systèmes de stockage d'énergie industriels et commerciaux et les stations d'échange de batteries.
Dans le contexte de mises à niveau continues dans le nouveau secteur de l'énergie, Acrel continuera de se concentrer sur l'innovation et d'améliorer encore sa nouvelle technologie d'instrumentation et son système de produits de soutien à l'énergie. L'entreprise vise à fournir des services plus efficaces, intelligents et fiables. comptage d'électricité solutions pour le stockage d'énergie commercial et industriel, les stations d'échange de batteries et les applications de stockage photovoltaïque domestique, contribuant ainsi à promouvoir un développement de haute qualité de la nouvelle industrie énergétique.
Droits d'auteur © Acrel Co., Ltd. Tous droits réservés.
