Application du système informatique médical Acrel dans les hôpitaux malaisiens
Accueil / Projets / Hôpital / Application du système informatique médical Acrel dans les hôpitaux malaisiens

Application du système informatique médical Acrel dans les hôpitaux malaisiens

Avec l'utilisation croissante d'équipements médicaux électroniques dans les hôpitaux, le risque de courant de fuite constitue une menace importante pour la sécurité des patients, en particulier dans les environnements de soins intensifs. Lors d’interventions chirurgicales ou d’anesthésie, les patients sont directement connectés à diverses électrodes et capteurs. Même des courants de fuite minimes peuvent provoquer un choc électrique lorsque les dispositifs médicaux sont en contact direct avec le corps humain.

De plus, les équipements de survie destinés aux patients gravement malades doivent maintenir un fonctionnement ininterrompu. Toute coupure de courant pourrait immédiatement mettre en danger la vie des patients. Par conséquent, les systèmes électriques des hôpitaux doivent se conformer strictement aux normes nationales en mettant en œuvre des systèmes d’alimentation électrique informatique dans les zones désignées.

Cette étude de cas démontre l'application du système d'alimentation électrique isolé médical d'Acrel en Malaisie, comprenant :

Distribution d'énergie informatique médicale

Appareils de surveillance de l'isolement

Systèmes de localisation de défauts

Contactez-nous
  • Aperçu du projet
  • Aperçu du projet
    Malaisie I.E.D est situé à SELANGOR DARUL EHSAN, le projet est principalement utilisé dans un hôpital insulaire en Malaisie, les produits sont utilisés pour la localisation de défauts d'isolation de 12 circuits pour 3 ensembles de systèmes électriques isolés d'hôpital, les produits associés sont le dispositif de surveillance d'isolation AIM-M200, le générateur de test de signal ASG150, l'indicateur d'alarme centralisé AID150, le localisateur de défauts d'isolation AIL150-8, AIL150-4 et le transformateur de courant de fuite. AKH-0.66P26.


    Introduction au système informatique médical
    Le dispositif de surveillance de l'isolation du système informatique médical ACREL et le système de localisation des défauts conviennent aux salles d'opération des hôpitaux, aux unités de soins intensifs (CCU) et à d'autres lieux importants, et peuvent fournir un endroit sûr pour de telles solutions d'alimentation continues et fiables.


    Solution d'alimentation électrique pour les sites médicaux
    Solutions de distribution de salle ICU, CCU (schéma du système d'armoire électrique isolée GGF-I8G, par exemple)


    Option I sans fonction de localisation des défauts


    Option II avec fonction de localisation des défauts

    REMARQUE : Dans les solutions de distribution d'énergie de l'unité de soins intensifs, un dispositif d'alarme et d'affichage centralisé de la série AID doit être installé dans le poste des infirmières, le personnel hospitalier du poste des infirmières surveille l'état de fonctionnement de chaque système d'alimentation isolé.


    Solutions de distribution pour salle d'opération (schéma du système d'armoire électrique isolée GGF-O8G, par exemple)

    Option I sans fonction de localisation des défauts d'isolement


    Option II avec fonction de localisation des défauts d'isolement

    1. Dans les solutions de distribution d'énergie de la salle d'opération, la série AID de dispositifs d'alarme et d'affichage externes doit être installée sur le panneau d'intelligence à l'intérieur de la salle d'opération, ou à côté du panneau d'intelligence (installation murale). Pendant l’intervention chirurgicale, le personnel médical surveille l’état du système électrique isolé.

    2. Dans le schéma avec fonction de localisation des défauts d'isolement, si le nombre de canaux localisés est supérieur à huit, deux ensembles de localisateurs AIL150 peuvent être utilisés. La combinaison peut être AIL150-8 et AIL150-4 (jusqu'à 12 canaux), ou AIL150-8 et AIL150-8 (jusqu'à 16 canaux).

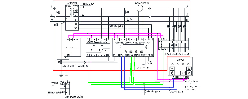
    3. Schéma de câblage typique






    4. Introduction de l'informatique médicale en 7 parties

    Nom et type du produit Photo du produit Descriptif
    Transformateur d'isolement médical série AITR Le transformateur d'isolement de la série AITR est spécialement utilisé dans les systèmes informatiques médicaux. Les enroulements sont traités avec une double isolation et disposent d'une couche de blindage électrostatique, qui réduit les interférences électromagnétiques entre les enroulements. Le capteur de température PT100 est installé dans le sac métallique pour surveiller la température du transformateur. L'ensemble de la carrosserie est traité avec une peinture d'invasion sous vide, ce qui augmente la résistance mécanique et la résistance à la corrosion. Le produit a de bonnes performances de montée en température et un très faible bruit.
    Instrument de surveillance d'isolation intelligent médical AIM-M200 L'instrument médical de surveillance de l'isolation itelligent AIM-M200 adopte une technologie de microcontrôleur avancée, qui présente une intégration élevée, une taille compacte, une installation pratique et intègre l'itelligence, la numérisation et la mise en réseau en un seul. C'est le choix idéal pour la surveillance de l'isolation des systèmes électriques isolés dans les établissements médicaux de classe 2 tels que les salles d'opération et les unités de soins intensifs.
    Transformateur de courant AKH-0.66P26 Le transformateur de courant de type AKH-O 66P26 est le transformateur de courant de protection prenant en charge le moniteur d'isolement AIM-M200, dont le courant maximum mesurable est de 60 A et le rapport de transformation est de 2000 : 1. Le transformateur de courant est directement fixé à l'intérieur de l'armoire par vissage, et le côté secondaire est sorti par le terminal, ce qui est pratique à installer et à utiliser.
    Localisateur de défauts d'isolement AIL150-4/AIL150-8 Localisateur de défauts d'isolement AIL150-4/AIL150-8 adopts high sensitivity transformer combined with a high precision signal detecting circuit, which detects the signal imported into the system from the ASG150 test signal generator and accurately locates the circuits which have insulation faults. AIL150-4 insulation fault locator can locate the insulation faults of 4 circuits, and the AIL150-8 insulation fault locator can locate the insulation faults of 8 circuits.
    Générateur de signaux de test ASG150 Le générateur de signal de test ASG150 adopte une puce de microprocesseur 32 bits et un circuit de génération de signal de haute précision pour réaliser la génération du signal de test spécifique. Lorsque le système informatique surveillé présente des défauts d'isolement, il peut démarrer et produire un signal de test à temps, en travaillant avec le localisateur de défauts d'isolement pour réaliser la localisation des défauts d'isolement.
    Module d'alimentation HDR-60-24 L'alimentation à courant continu HDR-60-24 peut fournir simultanément une alimentation 24 V CC pour l'AIM-M200.
    Instrument médical intelligent de surveillance de l'isolation, générateur de signal de test ASG150, localisateur de défauts d'isolation de la série AIL150 et instrument d'alarme et d'affichage centralisé AID150. L'alimentation est de haute capacité, de sortie de tension stable et d'installation pratique, qui peut répondre aux exigences d'alimentation des compteurs mentionnés ci-dessus et est le produit d'alimentation recommandé.
    Instrument centralisé d'alarme et d'affichage AID1 50 L'instrument d'alarme et d'affichage centralisé AID150 adopte l'affichage à cristaux liquides LCD et réalise l'échange de données avec l'instrument de surveillance d'isolation intelligent médical AIM-M200 via l'interface de communication RS485, qui peut surveiller en temps réel les données multicanaux de l'instrument de surveillance d'isolation intelligent médical AIM-M200.

    Photos sur place



Acrel Co., Ltd.