Courant nominal 80A directement
Certifié MID
Classe C de haute précision
Monté sur rail DIN 35 mm
Sortie d'impulsion
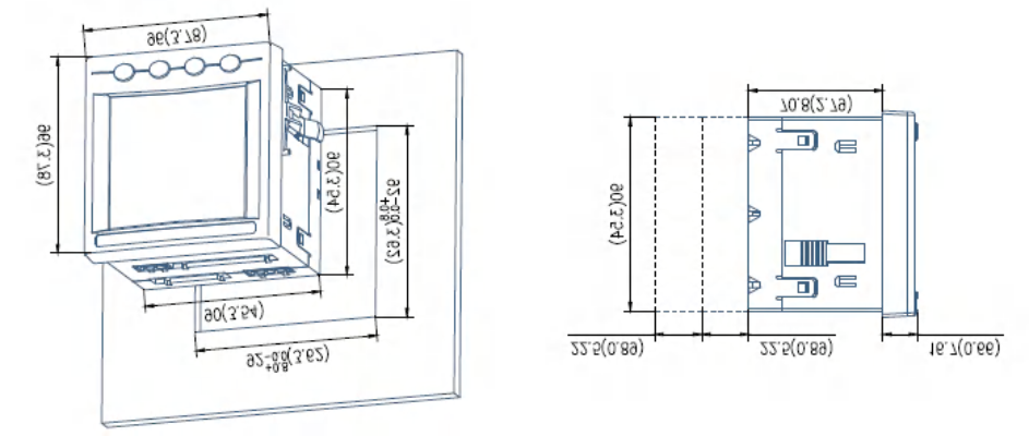
4 modules de 72 mm de largeur
Pour la gestion de l'énergie IoT, l'usine, l'école
Mesures RMS vraies
THD avec 63ème harmonique
Facteur K et facteur de crête
Déséquilibre et angles de phase
Demandes et énergie multitarif
Journal Max/Min avec horodatage
+86-18702106858 / +86-21-69156352
L'APM810 est un compteur multifonction CA triphasé de classe 0,2S conçu pour une surveillance précise de l'énergie, des diagnostics de qualité de l'énergie et la sous-facturation des locataires dans les tableaux de distribution industriels, commerciaux et de centres de données. Le boîtier DIN compact de 96 × 96 mm héberge un écran tactile couleur TFT qui affiche la tension efficace réelle jusqu'à 690 V, le courant, la fréquence, la puissance active/réactive/apparente, le PF, la demande, les harmoniques jusqu'au 63e, le THD et les kWh/kvarh à quatre quadrants. Le double RS485 Modbus-RTU, Ethernet TCP/IP, BACnet/IP, SNMP et Wi-Fi/LoRa en option offrent une intégration transparente BMS/EMS, tandis que 4 Mo de mémoire intégrée enregistrent les profils de charge sur 12 mois pour les audits énergétiques. Des alarmes configurables de sur/sous-tension, de courant, de PF et d'harmoniques pilotent des sorties relais ou des entrées numériques pour un contrôle intelligent du disjoncteur ; Les registres d'impulsions, de SOE et de tarifs TOU prennent en charge les applications de services publics AMI, de facturation nette solaire et de recharge de véhicules électriques. Large connexion 3 × 57,7–690 V, 0,001–10 A directe ou CT/VT avec étanchéité inviolable adaptée à tout déploiement de réseau intelligent ou de micro-réseau.
| Paramètres techniques | Valeur | |||
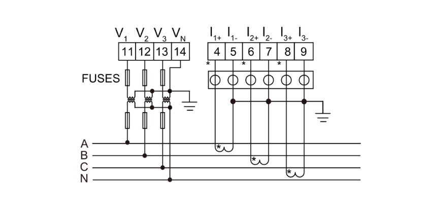
| Entrée | Connexion | Monophasé à 2 fils, triphasé à 3 fils, triphasé à 4 fils | ||
| Fréquence | 45-65Hz | |||
| Tension | Note : | |||
| Monophasé : AC 100 V, 400 V | ||||
| Triphasé : AC 3 × 57,7 V/100 V (100 V), 3 × 220 V/380 V (400 V), 3 × 380 V/660 V (660 V) (taille 96 uniquement) | ||||
| Surcharge : 1,2 fois la note {continu) : 2 fois la note pendant 1 seconde | ||||
| Consommation électrique : < 0,5 VA | ||||
| Actuel | Note : AC IA、5A | |||
| Surcharge : 1,2 fois la note (continue) ; 10 fois la note pendant 1 seconde | ||||
| Consommation électrique : < 0,5 VA | ||||
| Sortie | Énergie électrique | Sortie mode:open-collector photo-coupler pulse | ||
| Constante d'impulsion : 10 000 imp/kWh (réglable), voir le schéma de câblage pour plus de détails ; | ||||
| Communications | Port RS485, protocole modbus-rtu, protocole DLT645 (versions 07 et 97), | |||
| débit en bauds 1200 ~ 38400 | ||||
| Fonction | Entrée de commutation | Entrée contact sec, alimentation intégrée ; si le modèle est KA, il est actif AC 220 V. | ||
| Sortie de commutation | Sortie mode: Relay normally open contact output | |||
| Capacité de contact : AC 250 V/3A, DC 30 V/3A | ||||
| Sortie analogique | 4 - 20 mA | |||
| Classe de précision | Fréquence:0.05Hz,Current、Voltage:0.2 class,Reactive power:l .0class,Reactive Electric energy:l .0class, active power:0.5class,active electric energy: 0.5class,2-31th harmonic measurement:±1% | |||
| Alimentation | AC/DC 85-265 V ou DC24 V (± 20 %) ou DC48 V (± 20 %). | |||
| consommation d'énergie≤10VA | ||||
| Sécurité | Tension de tenue à fréquence industrielle | Entre alimentation//sortie de commutation//entrée de courant//entrée de tension et transmission//communication //sortie d'impulsion//entrée de commutation AC 2 kV 1 min ; | ||
| Entre l'alimentation électrique, la sortie de commutation, l'entrée de courant et l'entrée de tension AC 2 kV 1 min ; | ||||
| Entre la transmission, la communication, la sortie d'impulsion et l'entrée de commutation AC 1 kV 1 min ; | ||||
| Résistance d'isolation | Entrée、Output end to machine enclosure >100MΩ | |||
| Environnement | Température | travail : -25°C~ 65°C stockage : -40°C ~ 80°C | ||
| Humidité | ≤93 % HR sans condensation | |||
| Altitude | ≤2500 millions | |||
Solution de surveillance de l'alimentation
Fondée en 2003, Acrel Co., Ltd. [Code boursier : 300286.SZ] est une entreprise de haute technologie spécialisée dans les solutions de gestion de l'énergie et la sécurité électrique. Basée à Shanghai, Acrel propose des solutions innovantes et durables pour l'efficacité énergétique des micro-réseaux et la sécurité électrique. Forte de plus de 600 brevets et droits d'auteur sur des logiciels, Acrel a déployé plus de 28 000 solutions système à travers le monde, constituant ainsi une architecture complète d'Internet de l'énergie « cloud-edge-end ».
Acrel Co., Ltd. est Grossiste chinois Compteur d'énergie monté sur panneau programmable triphasé AC Fabricants et Compteur d'énergie monté sur panneau programmable triphasé AC Usine. L'écosystème de produits intégrés d'Acrel s'étend des logiciels de plateforme cloud aux composants destinés aux utilisateurs finaux, couvrant des secteurs tels que l'énergie, les énergies renouvelables, les centres de données, les bâtiments intelligents, les transports et les villes intelligentes. Ces solutions permettent une gestion intelligente de l'énergie en temps réel, renforçant la sécurité énergétique et réduisant les coûts d'exploitation. Nous proposons Compteur d'énergie monté sur panneau programmable triphasé AC à vendre.
L'usine de production de l'entreprise, Jiangsu Acrel Electric Manufacturing Co., Ltd., respecte des normes de qualité et des directives environnementales strictes, et dispose de centres d'essais de pointe ainsi que d'un engagement en faveur de procédés de production sans plomb. L'équipe d'Acrel, composée de plus de 500 ingénieurs, conçoit des systèmes d'efficacité énergétique de pointe et des solutions énergétiques intelligentes.
Forte d'une présence nationale solide, Acrel poursuit son expansion internationale grâce à un réseau mondial d'équipes commerciales et techniques et à une plateforme e-commerce garantissant une expérience client optimale partout dans le monde. Acrel est fière d'aider les entreprises à améliorer leur efficacité, à réduire leur consommation et à atteindre leurs objectifs de développement durable.
Ensemble, nous construisons un avenir plus intelligent et plus vert.
Brevets autorisés
0+Nombre de clients servis
0+Nombre total d'employés
0+Base de production
0m²Bienvenue pour vous connecter Dans le contexte du développement rapide de la nouvelle industrie énergétique, des scénarios tels que stockage d'énergie commercial et industriel , stations d'échange de batterie , et systèmes de stockage photovoltaïques domestique...
En savoir plusContexte de l’industrie et importance de l’application Les jeux de barres servent d'épine dorsale aux systèmes de distribution électrique dans des secteurs allant des appareillages de commutation aux entraînements industriels, en passant par les onduleurs d'énergie renouvelable, les ...
En savoir plusContexte de l’industrie et importance de l’application L'adoption rapide des véhicules électriques (VE) entraîne de nouvelles exigences en matière d'infrastructures dans les environnements résidentiels à locataires multiples tels que les complexes d'appartements, les immeubles à...
En savoir plus